電路板級設計人員的任務是賦予電路板以生命,監視其健康狀況,調整設定,運行診斷,離線進行檢查,在出現問題時排除故障,以及在無事故的情況下有序地關斷複雜的電路板。在電源設計和開發的世界裡,電源管理可能不僅僅是一種需要,更是一項硬性要求。電源系統管理器聚合了多種功能,例如上電時序管理、故障檢測、餘裕測試、協調關斷、量測電壓、量測電流以及收集資料進行分析。使用 LTC297x 元件量測電源電流是本文的重點[1]。
對於為FPGA、CPU、光收發器等高價值元件供電的電源,量測其從電源軌擷取的電流可能很重要。對於這些關鍵電源軌,電路板設計人員可以透過此資料深入瞭解其性能。當電流資訊被量測到,且電流值為數位格式,那麼元件就可以計算功率和電能,系統主機也可以執行獨特的計算、從資料中分析趨勢、安排任務等。
目前已有許多圍繞電流感測主題的技術文章和應用筆記問世,但未見到專門針對DPSM的。本文涵蓋了類比和數位方面,並描述用於量測低壓、高壓和負電源軌的各種支援電路。
LTC297x DPSM系列
本文的重點是內建電流量測功能的電源系統管理器。表1說明了這些元件之間的差異。
LTC2977/LTC2979/LTC2980/LTM2987 可配置用來監視電流,但存在一些限制。只有奇數通道支援電流量測,並且量測值以未縮放的單位(V)返回。本文重點介紹 LTC2971/LTC2972/LTC2974/LTC2975 元件,它們能夠量測輸出電流,並允許系統?軟體利用READ_IOUT命令回讀以安培(A)為單位的值。
表1. LTC297x DPSM元件系列
|
|
輸出電流
監視器
|
輸出過流/
欠流監控器
|
輸入電流
監視
|
電能累計
|
TpowerPlay支援
|
|
LTC2971
|
■
|
|
■
|
■
|
■
|
|
LTC2972
|
■
|
|
■
|
■
|
■
|
|
LTC2974
|
■
|
■
|
|
|
■
|
|
LTC2975
|
■
|
■
|
■
|
■
|
■
|
|
LTC2977
|
奇數通道
|
|
|
|
■
|
|
LTC2979
|
奇數通道
|
|
|
|
■
|
|
LTC2980
|
奇數通道
|
|
|
|
■
|
|
LTM2987
|
奇數通道
|
|
|
|
■
|
註:本表格中的 LTC297x 指 LTC2971、LTC2972、LTC2974、LTC2975、LTC2977、LTC2979、LTC2980 和 LTM2987,未包括 LTC2970。
PSM基礎
電源系統管理器提供關於電源的關鍵電壓和電流讀數的數位視圖。這是該產品系列的特色:系統主機或LTpowerPlay可以支援電路板初始啟動、偵錯、驗證或收集基線資料,或者尋找趨勢。雖然一些電源通道不需要精準的電流讀數,但許多關鍵的輸出通道需要高度精準的電流量測。
本文介紹各種電流感測選項,包括成本、複雜性和精度之間的權衡。

| 圖1 : LTpowerPlay 中的 READ_IOUT 遙測曲線 |
|
電流感測選項
LTC2971?LTC2972?LTC2974?LTC2975管理器能夠精準量測輸出電流。應盡可能使用這些元件,因為它們具有專用的電流感測接腳和PMBus命令,可提供以安培為單位的遙測值。
例如,將ISENSE線連接到分流器,配置幾個暫存器,剩下的工作由晶片完成。晶片會將測得的電壓轉換為電流值。LTpowerPlay將電流即時顯示為數值和遙測曲線。

| 圖3 : 用於輸出電流量測的 PMBus 暫存器設定 |
|
也可以使用LTC2977?LTC2979?LTC2980?LTM2987來量測輸出電流,但是,READ_IOUT命令返回的是電壓,必須由系統主機或LTpowerPlay將其轉換為安培。執行中,這表示韌體(而不是晶片)必須儲存串聯分流器的值。
串聯分流電阻並非感測電流的唯一方法。表2總結了DPSM系列可用的電流感測選項及其權衡。精度、成本、電路板空間和其他因素也需要考慮。
表2 電流感測選項總結
|
?
|
分流電阻
|
電感DCR
|
IMON
|
|
精度
|
非常好
|
良好
|
良好,但一般不指定輕載精度
|
|
輸出路徑
|
有損(IR壓降)
|
無額外損耗
|
無損
|
|
濾波器
|
每接腳一個
單極點濾波器
|
每接腳一個
雙極點濾波器
|
單RC
|
|
其他
|
?
|
?
|
幾乎沒有共模限制,某些元件上的IMON接腳上有偏移電壓
|
分流電阻感測
最常見的感測方法是使用分流電阻,有時也稱為感流電阻。無論DC-DC轉換器是開關穩壓器還是線性穩壓器,分流電阻都與輸出串聯。回饋電阻分壓器連接到輸出節點,使得分流器位於回饋迴路內,這樣當施加負載電流時,穩壓器就能補償分流電阻的IR壓降,從而明顯提高負載調整率。
用於將電壓轉換為電流的PMBus命令稱為IOUT_CAL_GAIN。這是分流電阻的標稱電阻。晶片透過ISENSE接腳量測分流電阻上的小電壓降,在內部執行轉換,並使用READ_IOUT命令返回輸出電流。晶片感測到的實際電壓可透過MFR_IOUT_SENSE_VOLTAGE命令獲得。
使用阻性分流器時,將MFR_IOUT_CAL_GAIN_TC值設定為製造商的規格以補償溫度變化。通常,大於10 mΩ的分流器具有較低的溫度係數:<100 ppm?°C。
規格中列出了ISENSE接腳上產生的最大差分感測電壓。大多數LTC297x元件的差分電壓以+/-170 mV為限,這為大多數應用提供了足夠的範圍。最大成測電壓計算如下:VSENSE= RSNS × IOUT(MAX)SENSE 。通常,首先確定最大感測電壓,RSNS電流感測電阻計算如下:RSNS = VSENSE ? IOUT(MAX)。選擇的最大感測電壓應是一個足夠大的訊號,但又不會在輸出路徑中造成功耗問題或IR壓降。50 mV至80 mV是一個很好的最大感測電壓。選擇電流感測電阻的物理尺寸,其功耗額定值應大於感測電阻的計算功耗 [2]。
一種相關方法是增加一個以地為基準的電流感測放大器(CSA),其提供單端輸出,該輸出被饋送到管理器的電流感測接腳。這種方法通常用於對高於大多數LTC297x管理器的6 V限值的電壓軌進行位準轉換。CSA應具有良好的高端共模性能。通常從被感測的電壓軌和GND為此類元件供電。後續文章將會詳細介紹這種方法。
ADI提供了許多易於使用且小尺寸的非PSM μModule元件。PSM管理器是很好的配套元件,可控制上電時序並進行監控。大多數μModule元件都有內建電感,但有些還整合了上方回饋電阻,因此無法在回饋迴路內增加外部分流電阻。應當選擇允許使用外部上方回饋電阻以獲得最高電壓精度的μModule元件。
電感DCR感測
DCR感測是一種透過降壓穩壓器的輸出電感感測電流的方法。電感可以運用理想電感和一個稱為DCR的串聯電阻來建模(圖6)。這通常是高電流(>20 A)電源軌的首選方法。增加的阻性分流器是一個額外的元件,會消耗功率並產生熱量。
要在電感上進行感測,必須能夠接觸到電感的兩端,並且必須在感測點和LTC297x感測接腳之間插入一個濾波器網路。濾波器網路是一個兩級差分RC低通濾波器。為了方便和減小尺寸,可以使用4元件電阻陣列。電阻值的選擇應使IR壓降足夠小,以防止LTC297x輸入電流造成誤差,同時又足夠大,以使電容值小於1 μF。
LTC2971?LTC2972?LTC2974?LTC2975資料手冊提供了關於選擇RC值的指南。

| 圖6 : 使用 2 極點低通濾波器的 DCR 電感感測 |
|
DCR感測可實現電流的無損量測,但由於電感繞組電阻或DCR的差異,精度會受到影響。電感DCR規格高達+/-10%或只有一個最大值的情況並不少見。實際的DCR值會因電感和批次而異。
另一種濾波方案僅使用兩個電阻和兩個電容,因而元件數量從八個減少到四個,但濾波器的性能高度不如圖7所示。
PMBus配置
要利用PMBus命令配置LTC297x,可使用IOUT_CAL_GAIN命令設定分流電阻或電感DCR的標稱值。對於銅線纏繞的電感,DCR會隨著電感溫度升高而增加,這會在READ_IOUT讀數中引入誤差。使用MFR_IOUT_CAL_GAIN_TC命令設定銅的溫度係數可補償此誤差。在產品數據手冊中,該值的預設值為3900 ppm?°C。使用者可能需要調整該值以匹配電感,因為當導線是合金而非純銅時,此參數可能會大幅改變。MFR_IOUT_CAL_GAIN_THETA表示熱時間常數,可對其進行設定。
必須將溫度感測器(二極體連接的雙極性電晶體)靠近電感放置,以實現更準確的電流溫度補償。LTC2971?LTC2972?LTC2974?LTC2975元件具有連接到感測器的TSENSE接腳。
IMON
IMON接腳在許多穩壓器(包括開關和線性)中越來越受歡迎。這些穩壓器有一個電流感測輸出接腳,藉此可監視穩壓器的負載電流。IMON方法的優點在於它是無損的,並且無需擔心共模電壓,因為LTC297x ISENSE接腳不連接到VOUT。IMON接腳是單端輸出訊號,代表輸出電流的一小部分,它可以是電壓輸出或電流輸出,需要一個電阻連接到GND。電流輸出IMON接腳允許用戶選擇電阻值,從而設定最大滿載電壓。
單端電壓可以是比電流分流器或電感DCR兩端產生的電壓大很多的訊號。LTC2972和LTC2971元件甚至有一個配置位元來支援更大的訊號位準,其被稱為imon_sense位元。該位元位於MFR_CONFIG命令中,是一個分頁命令。

| 圖8 : MFR_CONFIG 暫存器中的 IMON 位元 |
|
選擇的IMON電阻值應使得在所有負載條件下都能提供寬動態範圍。一般情況下,IMON精度在中負載和重負載電流條件下較好,但在輕負載下會下降。
一些穩壓器將限流功能與IMON接腳結合,該接腳可稱為IMON ? ILIM。請注意,所選的IMON電阻值不應使得IMON電壓在滿載時會啟動限流電路。示例包括線性穩壓器,例如 LT3072 和 LT3086。其他例子有 LT3094 和 LT3045等,一個ILIM接腳產生限流作用,可用於輸出電流監視器。對於某些開關穩壓器,該接腳可稱為IMON,內建的限流功能可能並不明顯。示例包括 LT8652S 和 LT8708。限流電路具有折返功能,不會關閉輸出。若要關閉輸出, LTC298x 會檢測過流狀況並將VOUT_EN拉低,從而禁用穩壓器輸出。
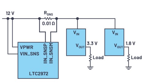
輸入電流感測
一個電源系統可能有一個輸入電源,其為多個下游穩壓器供電。輸入電源電流可由LTC2971、LTC2972或LTC2975進行量測。使用LTC2971 ? LTC2972 ? LTC2975量測IIN非常簡單,因為這些元件原本就有將接腳連接到VIN電流路徑中的感測電阻RSNS的能力。IIN_SNS接腳的直接接線以VIN電源為限,對於LTC2972?LTC2975而言,該值<15V;對於LTC2971而言,該值<60V。
無論是量測輸出電流還是輸入電源電流,都有一個用戶可編程PMBus暫存器可將感測電壓轉換為電流。量測輸入電源電流時,使用PMBus暫存器MFR_IIN_CAL_GAIN,然後便可從READ_IIN暫存器讀取輸入電源電流。

| 圖11 : 用於 VIN 電流量測的 PMBus 暫存器 |
|
我們不僅可以量測電流,還可以量測電壓。PMBus命令分別為READ_IIN和READ_VIN。利用電流、電壓和時基,LTC2971 ? LTC2972 ? LTC2975還能計算輸送給系統的功率和電能。
LTC2971能夠感測60V電源軌上的輸入電源電流。IIN_SNS接腳可以直接連到電源輸入上的感測電阻。對於24V以上的電源電壓,建議使用降壓穩壓器通過VPWR接腳為LTC2971供電,如此可節省功率並避免LTC2971自發熱。由於VPWR × IPWR會產生功耗,可能導致晶片溫度升高到預期以上。 ADP2360 具有一個固定5 V選項,可為降壓穩壓器提供低成本、小尺寸的解決方案。

| 圖12 : 使用LTC2971感測高壓VIN電流和電壓 |
|
電能計量
監視電能使用可能很重要。無論輸入電源是開關穩壓器、太陽能電池板輸出還是電池電源,瞭解系統消耗的總電能可能很有用。LTC2971 ? LTC2972 ? LTC2975能夠感測輸入電源的高端電流。
此特性允許管理器量測輸入電源電流。LTpowerPlay對於探索與輸入電源電流和電能讀數相關的特性非常有用。選擇READ_EIN命令後,遙測視窗就會顯示電能累計結果的即時曲線。

| 圖13 : LTpowerPlay 繪製的即時電能圖 |
|
電錶還會量測輸入電源電壓,因此也能夠報告輸入功率。由於電能是功率和時間的乘積,因此累計電能是根據管理器的內部時基提供的。GUI右上角顯示的儀錶提供了更多資訊。指標是輸入功率(以瓦特為單位)的即時指示器,較小的五個刻度盤顯示總累計電能,類似於家用電錶。為方便起見,還提供了數位讀數。
LTpowerPlay提供一個簡單易懂的介面,其中彙集了輸入和輸出電流、電壓、功率、電能讀數。
輸入電流、輸入電壓、輸入功率和輸入電能可以表格形式查看,這些值顯示在GUI的遙測部分。MFR_EIN暫存器保存累計電能值(以毫焦耳為單位)。還有一個電能累計器處於活動狀態的總時間,顯示為MFR_EIN_TIME暫存器。當單位從mJ變為J再到kJ時,GUI會自動更新所顯示的SI首碼。

| 圖15 : 與輸入電源電壓、電流、功率和電能相關的遙測視圖 |
|
表3總結了可以從LTC297x回讀的所有遙測資料。暫存器是I2C ? PMBus字讀取,但MFR_EIN暫存器除外,它是區塊讀取。
表3 遙測總結
|
暫存器名稱
|
LTC2971/LTC2972/LTC2975
|
LTC2974
|
LTC2977/LTC2979/ LTC2980/LTM2987
|
|
READ_IOUT
|
■
|
■
|
|
|
READ_VOUT
|
■
|
■
|
■
|
|
READ_POUT
|
■
|
■
|
|
|
READ_IIN
|
■
|
|
|
|
READ_VIN
|
■
|
■
|
■
|
|
READ_PIN
|
■
|
|
|
|
MFR_EIN
|
■■
|
|
|
1. 如果設定adc_hires位元,則READ_VOUT值以mV為單位返回。L11格式。
2. 區塊讀取,包括以mJ為單位的電能值和以ms為單位的經過時間。
(本文作者Michael Peters為ADI 資深應用工程師)